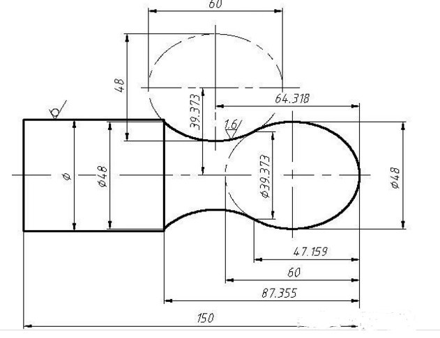
关于特殊曲线在数控车削中如何进行编程,做了五期期视频。但应部分读者的要求,今天我以图文的形式,如何对特殊曲线进行编程,以椭圆和抛物线为例,把程序进行简单梳理下,不会的建议都看看!利用数控系统提供的变量、数学运算功能、逻辑判断、条件转移等功能编写的加工程序,咱们称为宏!以该图为例,讲解椭圆编程的两种加工体例:直线方程和参数方程。